Bài tập lập trình tiện CNC – Bài 34: bài tập tổng hợp

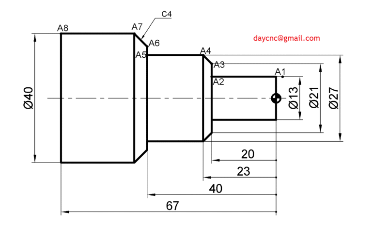
Đây là bài tập tổng hợp, ứng dụng nhiều lệnh như: Chu trình tiện bóc lớp dọc trục G71, chu trình tiện rãnh G75, chu trình tiện ren G76. Bên cạnh đó để hoàn thiện tốt chương trình cần kết…

Đây là bài tập tổng hợp, ứng dụng nhiều lệnh như: Chu trình tiện bóc lớp dọc trục G71, chu trình tiện rãnh G75, chu trình tiện ren G76. Bên cạnh đó để hoàn thiện tốt chương trình cần kết…

Mục tiêu bài tập Bài tập lập trình tiện CNC – 3 giúp các bạn các nội dung chính sau: Code tham khảo N0 O1122 (BAI TAP 3)N5 G28U0.W0.N10 T0101N15 G00Z2.N20 S600M3N25 X85.N30 X0.N35 G1Z0.F0.15N40 X24. (A1)N45 G3X32.Z-4.R4.(A2)N50 G1 Z-16.(A3)N55…

Mục tiêu bài tập: Bài tập lập trình tiện CNC – 2 giúp các bạn các nội dung chính sau Code tham khảo O0020;(BT CHAY CUNG TRON VOI BAN KINH R)G21G40;G28U0.W0.;T0404;G00Z2.;X44.;S1200M3;X10.;(A1)G1Z-16.F0.1;(A2)G2X18.Z-20.R4.;(A3)G1X32.;(A4)G3X42.Z-25.R5.;(A5)G1Z-40.;(A6)X44.;M5;G00Z2.;G28U0.W0.;M30; Tham khảo bài tập lập trình tiện CNC tại…

Mục tiêu bài tập: Video thực hiện bài tập lập trình tiện CNC 1 Các bài tập liên tục được chia sẻ trên: Kênh Youtube chính thức của DayCNC: Fanpage chính thức của DayCNC Group Facebook chính thức DayCNC